
产品型号及参数
型 号 | 步距角 | 相数 | 驱 动 电 压 (V) | 相 电 流(A) | 保 持 转 矩(N·M) | 空载起动频率(步/秒) | 空载运行频率(千步/秒) | 转 动 惯 量(Kg·cm2) | 相 电 感(mH) | 相 电 阻 (Ω) | 重 量 (Kg) |
价格 (元) |
130BYG3501 | 0.6°等 | 3 | 220 | 4 | 27 | 1400 | ≥20 | 33.3 | 15.0 | 1.1 | 13.0 | 2450 |
130BYG3502 | 0.6°等 | 3 | 220 | 4 | 38 | 1200 | ≥15 | 48.4 | 20.0 | 1.4 | 17.0 | 3050 |
130BYG3503 | 0.6°等 | 3 | 220 | 4 | 45 | 1000 | ≥12 | 55.5 | 22.0 | 1.5 | 19.5 | 3400 |
130BYG3504S | 0.6°等 | 3 | 220 | 4 | 33 | 1300 | ≥17 | 41.7 | 18.0 | 1.2 | 15.0 | 2750 |
130BYG4501 | 0.9/1.8° | 2 | 120 | 7 | 30 | 1000 | ≥12 | 33.3 | 6.8 | 0.5 | 13.0 | 2300 |
130BYG4501Z | 0.9/1.8° | 2 | 120 | 7 | 33 | 1000 | ≥12 | 33.3 | 8.9 | 0.6 | 13.0 | 2450 |
130BYG4502 | 0.9/1.8° | 2 | 120 | 7 | 40 | 1000 | ≥10 | 48.4 | 8.2 | 0.7 | 17.0 | 2900 |
130BYG4502Z | 0.9/1.8° | 2 | 120 | 7 | 45 | 1000 | ≥10 | 48.4 | 9.8 | 0.8 | 17.0 | 3050 |
130BYG4503 | 0.9/1.8° | 2 | 120 | 7 | 50 | 900 | ≥10 | 55.5 | 9.3 | 0.8 | 19.5 | 3250 |
130BYG4504S | 0.9/1.8° | 2 | 120 | 7 | 36 | 1000 | ≥10 | 41.7 | 8.0 | 0.7 | 15.0 | 2600 |
130BYG5501 | 0.36/0.72° | 5 | 100 | 5 | 25 | 1800 | ≥25 | 33.3 | 7.4 | 0.7 | 13.5 | 2450 |
130BYG5502 | 0.36/0.72° | 5 | 100 | 5 | 35 | 1800 | ≥25 | 48.4 | 9.0 | 1.0 | 17.5 | 3050 |
130BYG3501B/D | 0.6°等 | 3 | 220 | 4 | 27 | 1400 | ≥20 | 33.3 | 15.0 | 1.1 | 12.5 | 2450 |
130BYG3502B/D | 0.6°等 | 3 | 220 | 4 | 38 | 1400 | ≥20 | 48.3 | 20.0 | 1.4 | 16.5 | 3050 |
*160BYG3501 | 0.6°等 | 3 | 220 | 5 | 50 | 1000 | ≥10 |
|
|
|
|
|
*160BYG3502 | 0.6°等 | 3 | 220 | 5 | 80 | 1000 | ≥10 |
|
|
|
|
|
注:
1、打 * 者为正在开发的新产品,可供期货;型号后有“Z”者为增强型。
2、二相电机为四引出线,四相电机为八引出线,除出线方式不同外,其余参数性能完全一样,配本公司驱动电源时用二相电机。
四相电机可改接成二相电机,有串联、并联及单极性三种接法,按并联接法时,相电流应加倍,四相电机用并联接法时,高
速性能要优于其它接法。本公司产品中除35#,39#,42#,57#,86#四相电机外,其余均已按并联接法接成二相电机。
3、五相电机用五边形接法及三相电机用三角形接法时,驱动器电流应提高至表列相电流的1.7倍。五相及三相电机用星形接法时驱动器电流为相电流。五相电机用全桥驱动器及三相电机用三角形接法时,电机高速性能要优于其它接法,但温升略高。本公司三相电机除130BYG3501B/D和130BYG3502B/D为星形接法外,其余已接成△型接法,五相电机型号后有“WB”;“WZ”;“WJ”标志的为五边型接法,有“X”标志者为星型接法。
4、 表中驱动电压为带有参考意义的标准电压,电机可在低于标准电压或略高于标准电压的范围内正常使用,其值主要取决于驱动器。在力矩富裕的前提下,尽可能用较小的驱动电压和电流,以降低电机温升。
5、 二相及三相电机若用220 V输入电压驱动时一定要接地保护。
6、三相电机配MS 型三相驱动电源可按以下步距角细分运行:0.9°、 0.72°、 0.6°、 0.45°、 0.36°、0.3°、
0.225°、 0.18°、 0.15°、 0.12°、0.09°、0.072°、 0.06°、 0.05625°、0.045°、0.036°。
7、 表中空载起动频率及空载运行频率为半步工作状态下的参数。
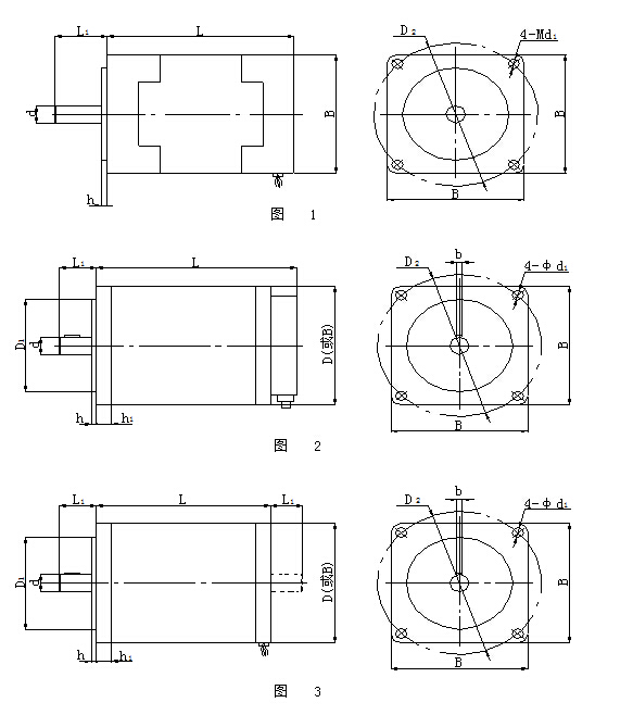
电机外形及安装尺寸
寸 型 号 | D | B | d (h7) | L1 | b | D1 (h7) | h | h1 | L | D2 | d 1 |
备 注
|
130BYG3501S | 130 | 130 | 19 | 45 | 5 | 100 | 4 | 14 | 188 | 155 | 11 | 图 3 |
130BYG3502S | 245 | |||||||||||
130BYG3503S | 275 | |||||||||||
130BYG3504S,4504S | 220 | |||||||||||
130BYG3501,4501 130BYG4501Z,4501J | 130 | 130 | 19 | 45 | 5 | 100 | 4 | 14 | 221 | 155 | 11 | 图 2 |
130BYG3502,4502 130BYG4502Z,4502J | 278 | |||||||||||
130BYG3503,4503 | 130 | 130 | 19 | 45 | 5 | 100 | 4 | 14 | 308 | 155 | 11 | |
130BYG5501 | 130 | 130 | 19 | 45 | 5 | 100 | 4 | 14 | 232 | 155 | 11 | |
130BYG5502 | 287 | |||||||||||
130BYG3501B,3501D 130BYG5501B,5501D | 130 | 130 | 19 | 45 | 5 | 100 | 4 | 14 | 188 | 155 | 11 | 图 3 |
注: D型电机为双轴伸型,无键槽。
运行矩频特性(平均参考值)
电机型号 | 驱动电源 电压/电流 | 运 行 步 距 角 | N·M 运 行 矩 频 特 性 步/秒 | |||||||||
130BYG4501 | SMD2N8 AC120V/7A | 0.9° | 19.2 100 | 21.6 200 | 20.4 500 | 20.4 1000 | 18.24 2000 | 14.0 3000 | 8.4 4000 | 7.0 6000 | 5.25 8000 | 3.5 10000 |
130BYG4501 | WD2N8 AC120V/7A | 0.9° | 18.0 100 | 19.8 200 | 19.8 500 | 19.2 1000 | 16.2 2000 | 10.85 3000 | 6.65 4000 | 5.2 6000 | 4.9 8000 | 3.75 10000 |
130BYG4501 | CQA36X8A AC220V/7A | 0.9° | 14.16 100 | 19.08 200 | 19.32 500 | 18.48 1000 | 17.16 2000 | 16.59 3000 | 16.03 4000 | 11.2 6000 | 8.75 8000 | 7.7 10000 |
130BYG4501Z | WD2N8 AC120V/7A (并联) | 0.9° | 20.4 100 | 20.4 200 | 19.2 500 | 18.6 1000 | 16.45 2000 | 12.6 3000 | 8.05 4000 | 7.8 6000 | 5.6 8000 | 5.25 10000 |
130BYG4502 | SMD2N8 AC120V/7A | 0.9° | 22.8 100 | 27.6 200 | 27.0 500 | 24.72 1000 | 20.04 2000 | 10.99 3000 | 6.93 4000 | 7.14 6000 | 4.76 8000 | 3.43 10000 |
130BYG4502 | WD2N8 AC120V/7A | 0.9° | 24.6 100 | 25.8 200 | 25.8 500 | 24.6 1000 | 22.2 2000 | 11.5 3000 | 7.0 4000 | 4.8 6000 | 5.2 8000 | 5.15 10000 |
130BYG4502 | CQA36X8A AC220V/7A | 0.9° | 16.2 100 | 24.0 200 | 24.6 500 | 24.84 1000 | 24.0 2000 | 22.32 3000 | 16.66 4000 | 10.22 6000 | 7.7 8000 | 4.2 10000 |
130BYG4502Z | WD2N8 AC120V/7A | 0.9° | 26.4 100 | 30.6 200 | 29.6 500 | 29.6 1000 | 18.6 2000 | 10.15 3000 | 7.7 4000 | 4.9 6000 | 5.95 8000 | 4.55 10000 |
130BYG4503 | WD2N8 AC120V/7A | 0.9° | 26.4 100 | 31.2 200 | 30.0 500 | 29.4 1000 | 18.2 2000 | 12.6 3000 | 7.7 4000 | 5.8 6000 | 5.6 8000 | 4.2 10000 |
130BYG3503 | MS-3H130M AC220V/6.8A | 0.6° | 46.92 300 | 44.76 500 | 47.28 1000 | 41.04 2000 | 20.88 4000 | 17.16 6000 | 12.48 8000 | 9.0 10000 | 8.19 12000 | 6.09 15000 |
130BYG3504 | MS-3H130M AC220V/6.8A | 0.6° | 32.16 300 | 32.76 500 | 32.64 1000 | 31.56 2000 | 24.36 4000 | 16.56 6000 | 11.64 8000 | 9.6 10000 | 7.32 12000 | 6.12 15000 |
130BYG5501 | WD5H5 AC80V/4.5A | 0.36° | 22.2 100 | 22.2 500 | 22.2 1000 | 21.0 3000 | 16.75 5000 | 16.45 7000 | 14.5 10000 | 14.35 13000 | 8.4 16000 | 4.3 20000 |
130BYG5501 | WD5HN5 AC100V/4.5A | 0.36° | 18.6 100 | 24.6 500 | 25.2 1000 | 22.8 3000 | 20.4 5000 | 18.4 7000 | 15.6 10000 | 14.7 13000 | 9.6 16000 | 7.0 20000 |
130BYG5502 | WD5H5 AC80V/4.5A | 0.36° | 29.4 100 | 29.4 500 | 28.2 1000 | 24.6 3000 | 15.6 5000 | 13.65 7000 | 11.2 10000 | 10.5 13000 | 7.35 16000 | 4.7 20000 |
130BYG5502 | WD5HN5 AC100V/4.5A | 0.36° | 31.8 100 | 31.8 500 | 31.2 1000 | 28.8 3000 | 19.25 5000 | 19.0 7000 | 16.8 10000 | 18.0 13000 | 9.45 16000 | 5.6 20000 |
130BYG3501 | D306 AC220V/5.8A | 0.6° | 25.2 300 | 25.2 500 | 25.2 1000 | 24.0 2000 | 21.0 4000 | 12.95 6000 | 9.45 8000 | 8.75 10000 | 7.7 12000 | 5.25 15000 |
130BYG3501 | MS-3H130M AC220V/6.8A | 0.6° | 25.92 300 | 25.44 500 | 25.68 1000 | 24.72 2000 | 21.6 4000 | 15.6 6000 | 11.88 8000 | 9.36 10000 | 8.33 12000 | 6.3 15000 |
130BYG3502 | D306 AC220V/5.8A | 0.6° | 36.0 300 | 38.4 500 | 37.2 1000 | 35.4 2000 | 22.8 4000 | 15.0 6000 | 9.1 8000 | 8.4 10000 | 7.35 12000 | 6.3 15000 |
130BYG3502 | MS-3H130M AC220V/6.8A | 0.6° | 37.08 300 | 37.08 500 | 37.32 1000 | 35.4 2000 | 22.44 4000 | 15.24 6000 | 11.64 8000 | 8.82 10000 | 7.49 12000 | 5.53 15000 |
130BYG3503 | MS-3H130M AC220V/6.8A | 0.6° | 46.92 300 | 44.76 500 | 47.28 1000 | 41.04 2000 | 20.88 4000 | 17.16 6000 | 12.48 8000 | 9.0 10000 | 8.19 12000 | 6.09 15000 |
130BYG3504 | MS-3H130M AC220V/6.8A | 0.6° | 32.16 300 | 32.76 500 | 32.64 1000 | 31.56 2000 | 24.36 4000 | 16.56 6000 | 11.64 8000 | 9.6 10000 | 7.32 12000 | 6.12 15000 |
注: 1)以上数据为平均参考值,用户可据此绘成矩频特性曲线。
2)二相及四相电机在低频段100±20步/秒处有谐振区,工作时避开此区为佳。
3) 当电机的运行频率超过二分之一空载起动频率时,所用控制器应具有升降频功能。
4) 电机轴功率与转矩转速及频率间的关系
M(N·M)* n (转/分)= 9.55 * P(W)
n(转/分)= 步矩角 * f(步/秒)/ 6°